Analog MAX11331 Rev02#

../../../../_images/MAX11_AdapterBoard_V2.png
  • Offset and conversion factor are configurable by software individually for each ADC in main.c

    • Offset is set to zero by default

    • Conversion factor is set to 10/6.65*3.3 = 4.96241 by default due to the gain of amplifier circuit, described in the Adjust measurement gains .

Filters#

1. The front-end filter is necessary to protect the subsequent impedance converter from exceeding the voltage rails due to EMC peaks. The crossover frequency \(f_\mathrm{aliasing,-3dB}\) of the frond-end first-order low-pass filter is formed by the capacitor \(C_\mathrm{pt1}\) and the series resistor \({R_\mathrm{pt1}}\) with

\[f_\mathrm{DiffOp,-3dB} = \frac{1}{2\pi R_\mathrm{pt1} C_\mathrm{pt1}} = \frac{1}{2\pi 100\,\Omega \cdot 1.5\,\mathrm{nF}} \approx \, 1.06 \mathrm{MHz}\]
../../../../_images/PT1Filter.png
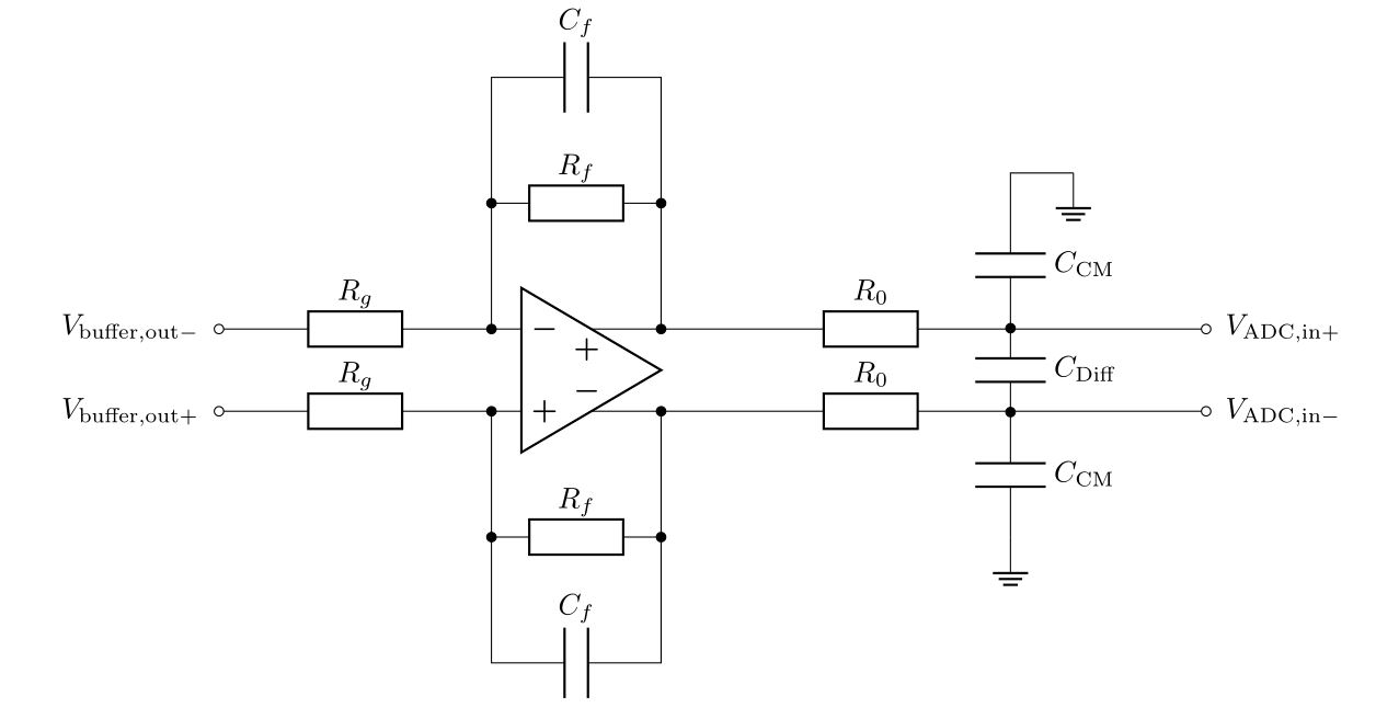
  1. Additionally, \(C_\mathrm{f}\) and \(R_\mathrm{f}\) form an active first-order low-pass filter, with

\[f_\mathrm{DiffOp,-3dB} = \frac{1}{2\pi R_f C_f} = \frac{1}{2\pi 6650\,\Omega \cdot 56\,\mathrm{pF}} \approx \, 428 \mathrm{kHz}\]

3. The crossover frequency \(f_\mathrm{aliasing,-3dB}\) of the anti-aliasing filter is formed by the capacitors \(C_\mathrm{Diff}\) and \(C_\mathrm{CM}\). They create a first-order low-pass filter with the series resistors \({R_0}\) with

\[f_\mathrm{aliasing,-3dB}= \frac{1}{2 \pi R_0 (2 C_\mathrm{Diff} + C_\mathrm{CM} ) } = \frac{1}{2\pi\ 51\,\Omega \cdot (2\cdot10\,\mathrm{nF} + 200\,\mathrm{pF}) } = 156\, \mathrm{kHz} \,\,.\]
../../../../_images/op_amp_schematic1.jpg

Adjust measurement gains#

For all types of measurements, described in Measurement modes, it is recommended to adjust the gains of the differential operational amplifier to utilize the full input range of the ADC, i.e., \({\pm 3.3}\) V. Since the input voltage is \({\pm 5}\) V and the ADC voltage \({\pm 3.3}\) V, the gain is set in default to

\[g=\frac{R_f}{R_g} = \frac{6.65\,\mathrm{k\Omega}}{10\,\mathrm{k\Omega}} = 0.665 \,\,.\]

Note

Use a high precision resistor to set the gains, i.e., 0.1% or better.

Note

\({C_\mathrm{Diff}}\) must have at least \({10\,\mathrm{nF}}\) so that the voltage does not drop when switching the MAX11331 multiplexer. This ensures that the measuring channel remains stable.

The pre-assembled values are

\({R_\mathrm{pt1}}\)

\({100\,\mathrm{\Omega}}\)

\({C_\mathrm{pt1}}\)

\({1.5\,\mathrm{nF}}\)

\({R_f}\)

\({6.65\,\mathrm{k\Omega}}\)

\({R_g}\)

\({10\,\mathrm{k\Omega}}\)

\({C_f}\)

\({56\,\mathrm{pF}}\)

\({R_0}\)

\({51\,\mathrm{\Omega}}\)

\({C_\mathrm{CM}}\)

\({200\,\mathrm{pF}}\)

\({C_\mathrm{Diff}}\)

\({10\,\mathrm{nF}}\)

Note

You can also use the LTSpice simulation to find the correct gains and filter values for your setup. The simulation files are attached at the end of this document.

Known issues#

Warning

  • for each Measurement modes, i.e., single-ended and fully differential, the ground of a possible external ADC power supply must be referenced to the ground of the UltraZohm. Otherwise, the analog front-end may be outside the voltage rails, resulting in offsets in the measured values.

  • due to missing pull-downs at the channel input of Rev02, unused channels are floating. This will be resolved in Rev03.

Compatibility#

  • Slots A1 to A3 can be used without limitations. However, slot A3 is used for MAX11331 adapter board in the default UltraZohm software project.

References#

Designed by#

Andreas Geiger (ZC), Eyke Aufderheide (TUM) in 11/2024